TWINPLEX 2026


ACCUEIL


Le but de ce projet est de réaliser un récepteur pour débutant alimenté sous 12 V, dans l’esprit des anciennes boîtes radiomann kosmos ou radio ace. L’idée est d’utiliser un seul tube double triode, pour limiter le nombre de composants, comme dans les twinplex réalisés dans les années 1930 [1,2,3]. Un schéma judicieusement choisi, associé à des composants de qualités bien que bon marché et l’ajout d’un transistor permet d’obtenir des résultats exceptionnels : le montage décrit a permis la réception d’une station de la Nouvelle-Calédonie en SSB sur 20 m, dans le nord de la France, avec une antenne Levy de 2 X 10 m. Quelle joie de partir à la découverte des ondes avec un récepteur entièrement construit de sa main !



1 Bande de réception

Du fait de la disparition des émetteurs en PO GO, il sera prévu pour les ondes courtes où existent encore quelques stations de radiodiffusion en modulation d’amplitude et des radioamateurs en SSB ou en télégraphie. Le récepteur est prévu pour couvrir en continu de 18 à 5,9 MHz en 4 gammes, et en bande étalée les gammes radioamateurs de 20, 40, et 80 m. De façon non optimale, il est possible d’y ajouter les bandes 15 et 17 m.


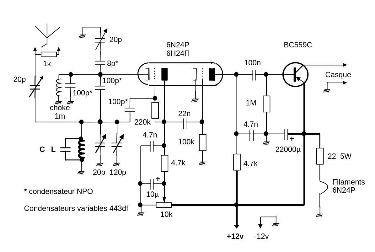
2 Composants

En dehors de la lampe, tous les composants doivent être encore fabriqués. La lampe choisie est un tube soviétique 6N24P (6H24П) à grande pente (12.5 mA/V), facilement disponible en neuf sur Ebay. Il fait partie de la série des tubes à grille-cadre (ECC88, ECC189, 6N23P, EF183, EF184, etc.) conçus à la fin des années 1950 pour une amplification à faible bruit en VHF. Une des caractéristiques méconnues de ces tubes est qu’ils fonctionnent correctement avec une tension anodique très faible. Les bobines interchangeables sont réalisées avec des inductances du commerce 12 ou 26 tours, avec noyau de ferrite, fixées sur des fiches DIN 4 broches. Les condensateurs variables sont des condensateurs plastic prévus pour les radios analogiques AM FM. L’absence de démultiplicateur impose l’emploi de 3 condensateurs variables : calage de la bande, accord approximatif, accord fin. Ces condensateurs (443DF) ont une faible stabilité mécanique et thermique. En SSB où la stabilité en fréquence est primordiale, il faut qu’ils couvrent la plus faible gamme possible. Il faut donc ajouter un condensateur fixe en parallèle de la bobine d’accord et ne pas dépasser la première moitié du condensateur variable de 120 pF pour le calage de la bande. Du fait du profil linéaire en fréquence, sa capacité n’est que de 36 pF à mi-course. Les condensateurs fixes participants au circuit d’accord doivent être des condensateurs NPO du type céramique multicouche.



3 Schémas

La première triode est utilisée en détectrice à réaction. L’antenne est couplée au circuit oscillant par un condensateur variable. Une résistance série d’un kohm sert d’atténuateur. Du fait de l’emploi d’une bobine unique dans le montage, la réaction par couplage cathodique se fait par diviseur capacitif (2 x 100 pF). La résistance de détection doit être connectée à l’anode et non à la masse pour faciliter la réaction à faible tension anodique. Le potentiomètre de 10 kohm commande l’amplification de la triode et donc de se régler à proximité du seuil d’oscillation du circuit.


La deuxième triode est une amplificatrice AF classique.

La principale difficulté a été de connecter à ce récepteur un casque moderne. Ceux-ci ont une faible impédance (32 ohms) et sont peu sensibles. L’utilisation d’un transformateur de couplage permet d’adapter les impédances, mais n’améliore pas la faible sensibilité du casque. L’emploi d’un transistor permet à la fois l’adaptation d’impédance et une importante amplification donnant du corps aux faibles signaux parvenant à la sortie du tube. Un transistor PNP est utilisé pour connecter le casque au moins. Son courant doit être proche de 10 mA. Le résultat est spectaculaire.

Un condensateur de 22000 µF entre le + et le – permet de supprimer toute trace d’ondulation 50Hz de l’alimentation.


4 Réalisation

Le récepteur est réalisé sur un plateau en bois de 20 x 20 cm. Côté intérieur, le fond et la face avant sont tapissés par des bandes de cuivre adhésif de 5 cm de large. Ces bandes doivent se chevaucher sur 1 cm pour obtenir une conduction électrique uniforme. Une vis de 2.5x25 est vissée au maximum dans l’axe des condensateurs variables afin de pouvoir y relier facilement un bouton de commande. Ceux-ci doivent être de grand diamètre et à fixation par vis, type AO5. Les condensateurs variables sont directement collés à la cyanolite sur l’avant et les côtés. Pour les connexions du casque, de l’antenne, de la terre et de l’alimentation, j’utilise des fiches bananes de 4 mm. Toutes les connexions autour du circuit oscillant doivent être courtes. Des résistances de 10 Mohm, assimilées à des résistances infinies, peuvent servir de points de connexion.

Les bobines interchangeables sont constituées de bobines du commerce (avec en parallèle pour les bandes amateurs un condensateur fixe) soudées sur la partie mâle d’un connecteur DIN 4 broches, même si seules 2 broches sont utiles. Les bobines « A » 0,6 à 1,7 µH ont 12 spires, les bobines « B » 2,1 à 6,3 µH ont 26 spires. Quand un noyau de ferrite est utilisé, une fois le réglage effectué, il faut le fixer avec de la colle cyanolite. Dans tous les cas, il est aussi utile de fixer les spires au mandrin avec un peu de cyanolite.


Gamme MHz

Bobine

noyau

22 – 14

A

non

18 - 12

A

oui

12 - 8

B

non

8 – 5,9

B

oui



Bande

Bobine

Noyau

Condensateur fixe pF

14 m

A

non

155 (100+47+8)

40 m

A

oui

470

80 m

B

oui

220



Bande

Bobines

Noyau

Condensateur fixe pF

15 m

2 x A en parallèle

Non

82

17 m

2 x A en parallèle

Non

155 (100+47+8)


Pour les bandes 15 et 17 m il faut utiliser 2 bobines A en parallèle. Il faut enlever le noyau de ferrite des 2 bobines, puis la gaine d’un fil électrique de 10 A (sans le fil de cuivre) est placée à l’intérieur des 2 bobines pour servir de tuteur. Il faut encore coller les 2 bobines à la colle cyanolite pour les solidariser.


5 Remarques diverses

Une antenne extérieure est indispensable, au minimum un fil d’une dizaine de mètres. L’alimentation du récepteur ne doit pas être à découpage. Il faut utiliser une alimentation analogique 12 V parfaitement régulée à 400 mA. Si un ronflement 50 HZ apparaît uniquement en accroché sur les bandes hautes (tunable hum), il faut mettre en parallèle des diodes de l’alimentation des condensateurs de 10 nF. Le récepteur est très sensible aux parasites. Il faut bannir toutes les alimentations à découpages à proximité (chargeurs USB, ordinateur portable, etc.). J’ai découvert que le simple néon d’une prise multiple était source de parasites. Les lampes LED peuvent aussi être sources de parasites. Dans mon expérience, les lampes « filaments » sont les LED les moins productrices de parasites. Les stations en AM s’écoutent juste avant l’accrochage (seuil de l’oscillation), les stations SSB ou télégraphiques juste après l’accrochage.


6 Liste des composants

Plateau en bois 20X20 cm

Bandes de cuivre adhésives de 5 cm (copper adhesive 50 mm)

4 condensateurs variables AM FM (443DF)

Assortiments de condensateurs NPO (multilayer ceramic capacitor npo)

Lot de fiches DIN mâle 4 broches (DIN plug 4 pin)

Un socle DIN 4 broches femelles (DIN 4 pin socket panel)

Lot de 10 ou 20 inductances 0,6 1,7 µH (inductance 12T)

Lot de 10 inductances 2,1 6,3 µH (inductance 26T)

Lot de 5 boutons de commande (A05 knob)

Une lampe 6N24P (6H24П en cyrillique)

Un transistor BC559C

Un support noval pour châssis (socket tube b9a)

Un potentiomètre de 10K

Une self de choke miniature de 1 mH (choke 1mH)

Résistances 1/4 W 1k, 4,7k(x2), 100k, 220k, 1M

Résistance 22 ohm 5W

Condensateurs 4,7nF(x2), 22nF, 100nF, 10µF, 22000µF


7 Références (disponibles sur le Net)

1 The « 53 » 1-tube twinplex. J. A. WORCESTER. Short Wave Craft 1933 October p332-357

2 The « 19 » twinplex makes 1-tube perform as 2. J. A. WORCESTER. Short Wave Craft 1934 March p650-651

3 Le récepteur du débutant. Robert AUDUREAU F8CA. Radio-REF Mai 1936 p284-295



Olivier ERNST F5LVG






TWINPLEX 2026 5 Olivier ERNST